耐高温塑烧板滤芯 耐腐蚀塑烧板滤芯
耐腐蚀耐高温塑烧板滤芯(塑烧板)与烧结板滤芯(烧结板)是工业过滤领域的高性能产品,尤其适用于极端工况下的粉尘治理与流体净化。以下从技术原理、核心性能、应用场景及市场动态等方面进行深度解析:
一、技术原理与材料体系
1. 塑烧板滤芯
结构设计:采用高分子材料(如 PTFE、PP)通过粉末烧结工艺形成刚性波浪状多孔基体,板厚约 4mm,内部孔隙均匀分布(约 30μm),表面喷涂 PTFE 涂层后形成 2-3μm 微孔结构。
核心技术:
PTFE 覆膜技术:表面 PTFE 涂层具有疏水性(接触角 > 140°)和不粘性,可有效防止含油、含湿粉尘粘附,适用于高湿度环境(如钢铁厂烧结机头烟气湿度达 80% 以上)。
防静电处理:通过添加导电纤维或表面电阻控制(10⁴-10⁶Ω),避免易燃易爆粉尘(如煤粉、铝粉)的静电积累。
2. 烧结板滤芯
材料体系:
金属烧结板:不锈钢(304/316L)、钛合金(TA2/TC4)通过真空烧结工艺制成,耐温可达 650℃(不锈钢)至 1000℃(钛合金),抗压强度≥2MPa。
非金属烧结板:陶瓷(Al₂O₃、SiC)或高分子材料(如 PEEK),耐腐蚀性优异(如耐 98% 浓硫酸),但脆性较大。
制造工艺:
粉末冶金:金属粉末经冷等静压成型后高温烧结,孔隙率可控(28%-50%),过滤精度 0.2-100μm。
多层复合:如五层不锈钢烧结网(保护层 + 精度控制层 + 分散层 + 增强层),兼顾过滤精度与机械强度。耐高温塑烧板滤芯 耐腐蚀塑烧板滤芯
二、核心性能对比
性能指标 | 塑烧板滤芯 | 烧结板滤芯 |
耐温范围 | -20℃~260℃(常规),部分型号达 400℃15 | -200℃~1000℃(钛合金) |
耐腐蚀性 | 耐强酸(如盐酸、硝酸)、强碱(如 NaOH) | 耐强腐蚀介质(如氢氟酸、王水) |
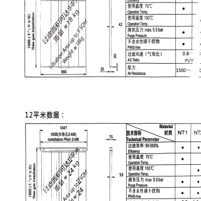
过滤精度 | 0.1μm 以上粉尘捕集效率 99.99% | 0.2-100μm,精度可调 |
使用寿命 | 10 年以上(布袋寿命的 10 倍) | 5-8 年(金属)或 3-5 年(陶瓷) |
清灰方式 | 脉冲反吹(耗气量小,0.4-0.6MPa) | 逆流清洗、超声波清洗 |
适用工况 | 高湿度、含油气体、超细粉尘(如锂电池石墨粉尘) | 高温高压、强磨损(如冶金炉渣过滤) |
三、典型应用场景
1. 塑烧板滤芯
化工行业:化肥厂含氨尾气处理(耐 NH₃腐蚀)、制药车间有机溶剂回收(如丙酮、甲醇)。
环保领域:垃圾焚烧厂二噁英治理(过滤精度 0.1μm)、电厂脱硫脱硝后的超细粉尘捕集(排放浓度 < 1mg/m³)。
新能源行业:锂电池涂布车间石墨粉尘过滤(防静电设计)、光伏硅料生产中的高浓度粉尘处理(入口浓度 500g/m³)。
2. 烧结板滤芯
高温气体过滤:石化裂解炉烟气(800℃)、玻璃窑炉尾气(650℃)。
液体净化:制药行业无菌水过滤(0.22μm)、石油化工催化剂回收(耐溶剂腐蚀)。
特殊领域:核电厂放射性气体处理(钛合金烧结板)、航空航天高温高压流体过滤。
四、市场动态与技术创新
1. 材料升级
纳米涂层技术:PTFE 纳米涂层(厚度 < 1μm)提升疏油疏水性能,在化工含油气体中维护周期延长 50%。
梯度孔隙设计:从表面到内部孔隙逐渐增大,实现深层过滤与表面清灰的平衡。
2. 智能化集成
压差监测系统:实时监控滤芯阻力,预测寿命并自动触发反吹。
模块化设计:16 万风量塑烧板除尘器采用多组滤芯并联,占地面积仅为布袋除尘器的 60%。
3. 典型案例
钢铁行业:某钢厂烧结机头烟气治理项目,使用廊坊欧瀚环保的 16 万风量塑烧板除尘器,颗粒物排放从 80mg/m³ 降至 3mg/m³,满足 GB28662-2012 标准。
焦化行业:山西某焦化厂采用中冶信宇 HSL 系列设备,处理焦炉煤气净化尾气,排放浓度稳定在 5mg/m³,符合 GB16171.1-2024 要求。
五、选型与维护建议
1. 选型要点
耐温性:根据介质温度选择材料(如钛合金耐 1000℃,PTFE 耐 260℃)。
耐腐蚀性:参考化学兼容性表(如 PTFE 耐盐酸但不耐氢氟酸)。
过滤精度:超细粉尘(0.1μm)需 PTFE 涂层,粗颗粒(>10μm)可选金属烧结板。
2. 维护指南
塑烧板:定期脉冲反吹(周期 10-30 分钟),避免表面粉尘堆积导致阻力上升。
烧结板:采用逆流清洗(水压 0.8-1.2MPa)或超声波清洗,避免机械损伤。
六、成本与经济性分析
项目 | 塑烧板滤芯 | 烧结板滤芯 |
初始投资 | 80 万 - 150 万元(16 万风量)13 | 150 万 - 300 万元(同规格) |
运行成本 | 年电费约 20 万元(过滤风速 1m/min)13 | 年维护费用占初始投资 5%-8% |
综合成本 | 寿命 10 年,年均成本 15 万 - 25 万元13 | 寿命 5 年,年均成本 30 万 - 60 万元 |
七、行业标准与认证
环保标准:需符合《大气污染物综合排放标准》(GB16297-1996),部分行业执行更严格的地方标准(如 DB51/2864-2021)。
认证要求:第三方检测(CMA 认证)、ISO9001/14001 体系认证。
八、供应商推荐
1. 国内品牌
廊坊欧瀚环保:提供 16 万风量定制化塑烧板除尘器,防静电、耐腐蚀型号。
杭州源泉净化:通过 FDA 及 BIA 认证,排放浓度 < 1mg/m³。
2. 国际品牌
Pall Corporation:全球过滤技术,钛合金烧结板滤芯耐温达 1000℃。
Porvair Filtration Group:航空航天级烧结板,适用于极端环境。
耐高温塑烧板滤芯 耐腐蚀塑烧板滤芯







