英集芯IP5902是一款集成度高、功能丰富的8-bit MCU芯片,专为小型电子设备提供高效、可靠的充电管理和控制解决方案。以下是对该芯片的详细介绍:
一、基本参数
型号:IP5902
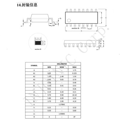
封装形式:SOP16
针脚数:16
输出功率:9W(如9V/1A,5V/1.8A等)
充电电流:800mA,电流可调节(25mA/Step)
输出电压:升压输出电压可调范围4V~9V
输入电压:4.5V~6V
输入耐压:15V
工作温度:-20℃~85℃
二、功能特性
1、MCU内核:
兼容8051指令集,提供强大的编程灵活性。
配备8K Bytes OTP型程序存储器和256 Bytes RAM通用数据存储器,支持多种寻址方式,满足复杂应用需求。
系统时钟支持低速32KHz和高速12MHz,满足不同场景下的时钟需求。
配备2*16bits定时器和2个PWM复用定时器,以及8通道10bit位宽ADC,提供丰富的外设接口。
2、充电管理:
支持800mA线性充电,电流可调节,满足不同容量电池的充电需求。
支持多种电池电压(4.20V、4.30V、4.35V和4.4V),广泛适用于各类锂电池。
具备自动再充电功能,可反馈充电状态,提升用户体验。
3、升压转换:
集成异步升压转换器,输出功率可达9W,满足高功率应用需求。
升压输出电压可调范围广泛(4V~9V),适应不同设备的电压要求。
4、低功耗:
待机功耗低至35µA,DeepSleep待机功耗小于10uA,有效延长设备待机时间。
5、高集成度与极简BOM:
集成异步升压功率MOS和1个路径MOS,减少外部元件数量,降低BOM成本。
6、多重保护与高可靠性:
提供输出过流、短路保护,输入过压、过充保护以及整机过温保护等多重保护机制,确保设备安全稳定运行。
ESD防护能力高达4KV,VIN/VOUT瞬态耐压高达15V,增强芯片的抗干扰能力。
三、应用领域
英集芯IP5902凭借其高集成度、强大的充电管理功能和丰富的外设接口,特别适用于需要集成充电管理和MCU控制的小型电子设备领域,如移动电源、智能家居设备、便携式电子产品等。
四、总结
英集芯IP5902作为一款集成了MCU充电管理的8-bit MCU芯片,不仅提供了高效的充电管理解决方案,还具备强大的MCU内核和丰富的外设接口,为小型电子设备的开发提供了极大的便利和灵活性。同时,其低功耗、高集成度和多重保护机制也确保了设备的稳定性和可靠性。






